Revisión de las tecnologías de inversores para generación solar fotovoltaica
A review on inverter technologies for solar PV power generation
Kumar Mahtani
Departamento de Automática, Ingeniería Eléctrica y Electrónica e Informática Industrial, Universidad Politécnica de Madrid, Madrid, España.
ORCID: https://orcid.org/0000-0002-8308-753X
Contacto: kumar.mahtani@upm.es
Artículo recibido: 2/noviembre/2024. Aprobado: 29/diciembre/2024
Nota
Traducción realizada por el autor a partir del siguiente artículo publicado en inglés:
Sharma, A. K., Das, V., & Mahtani, K. (2025). A review on inverter technologies for solar PV power generation. International Journal of Research Publication and Reviews, 6(1), 567-572.
Resumen
La eficiencia desempeña un papel enorme en los sistemas eléctricos actuales, de ahí la significancia de comprender la conversión de la energía, especialmente importante en los sistemas de energías renovables, como el sistema solar fotovoltaico (FV). En el centro de este proceso se encuentran los inversores, que toman la corriente continua (CC) producida por los paneles solares y la transforman en la corriente alterna (CA) utilizada en los hogares y para la conexión a la red. En este artículo se presenta una revisión bibliográfica de numerosas topologías de inversores, en la que se examinan los fundamentos y las ventajas e inconvenientes de las topologías de inversores en su aplicación a un sistema fotovoltaico. Algunas de las topologías de inversores analizadas son los convertidores controlados por seis conmutadores, los inversores de fuente Z, los inversores multinivel y los inversores de cinco niveles con punto neutro activo (ANPC). Cada topología se adapta a determinados problemas, como la distorsión armónica de la corriente alterna, la regulación de la tensión y la sincronización con la red, al tiempo que ofrece ciertas ventajas en distintas aplicaciones. Los convertidores de seis conmutadores son sencillos y fiables; los inversores de fuente Z crearon una nueva red de impedancia para simplificar la conversión buck-boost de una etapa; los inversores multinivel ofrecen una alta calidad de potencia con baja distorsión armónica; el inversor ANPC mejora aún más los inversores multinivel para que tengan una mayor eficiencia y fiabilidad. El artículo también describe varios avances, como el diseño modular, las modernas técnicas de control y la estructura multifuncional, que mejoran la eficiencia, la flexibilidad y la compatibilidad de los inversores con las redes inteligentes. Son útiles para prolongar el rendimiento y optimizar los costes de los sistemas de energía fotovoltaica que apoyan la aparición de energías renovables. Esta revisión ha puesto de manifiesto la creciente importancia de los inversores para afrontar estos retos y permitir la transición a un paradigma de energía verde dominado por el prosumidor para los sistemas fotovoltaicos solares y la red eléctrica.
Palabras clave: Conversión de energía; convertidores CC-CA; eficiencia energética; energías renovables; generación solar fotovoltaica; inversores; inversores ANPC; inversores fuente Z; inversores multinivel; sistemas fotovoltaicos.
Abstract
Overall efficiency plays a huge role in current power systems hence the importance of understanding the conversion of energy, this is especially important in renewable energy systems such as the solar photovoltaic (PV) system. At the center of this process are inverters, which take direct current (DC), produced by solar panels and transform it into the alternating current (AC) used within homes and for connection to the grid. In this paper, a literature review of numerous inverter topologies is presented, examining the foundation and pros and cons of inverter topologies as they apply to a PV system. Some reviewed inverter topologies comprise six-switch controlled converters, Z-source inverters, multilevel inverters, and five-level active neutral point clamped (ANPC) inverters. Each topology is tailored for certain issues such as; AC line current harmonic distortion, voltage regulation and synchronization to the grid while providing certain advantages in different applications. Six-switch converters are simple and reliable; Z-source inverters created a new impedance network for simplifying single-stage buck-boost conversion; multilevel inverters yield high power quality with low THD; the ANPC inverter enhances multilevel inverters further to have higher efficiency and reliability. The paper also describes several developments including the modular design, modern control techniques, and multifunctional structure that improves the inverters efficiency, flexibility, and compatibility with smart grid. They are useful for prolonging the performance and optimizing the costs of PV-based energy systems supporting the occurrence of renewable energy. This review has revealed the increasing importance of inverters in meeting these challenges and enabling the transition to a prosumer dominated green energy paradigm for solar PV systems and the electricity grid.
Key words: ANPC inverters; DC-AC converters; energy conversion; inverters; multilevel inverters; photovoltaic systems; power efficiency; renewable energy; solar power generation; Z-source inverters.
Introducción
La conversión de energía es imprescindible en las prácticas actuales, especialmente en la incorporación de energías renovables a sistemas de potencia como los sistemas solares fotovoltaicos (Pourasl et al., 2023). Aunque los convertidores CC-CC son muy importantes para controlar y transmitir la máxima potencia de los paneles fotovoltaicos, los inversores CC-CA son importantes para convertir la corriente continua generada por los paneles en corriente alterna con el fin de interconectarla con los postes de corriente alterna y los electrodomésticos (Zidane et al., 2023) (figura 1). Los inversores constituyen un eslabón fundamental en el proceso de integración de los sistemas de energía renovable en los sistemas energéticos existentes, por lo que son un actor importante en la innovación de sistemas solares sostenibles.

Figura 1. Vista general del sistema solar fotovoltaico.
Los inversores se utilizan no sólo para la conversión de CC a CA, sino también para controlar la calidad de la energía, la sincronización con la red y, por supuesto, para cumplir la norma de eficiencia energética (Blaabjerg et al., 2023). Se han diseñado topologías de inversores superiores para abordar cuestiones como los armónicos, el control de la tensión y la pérdida de energía, que son factores importantes para la generación de un suministro de energía estable y eficiente (Morey et al., 2023). La topología del inversor tiene un efecto significativo en las características, la disponibilidad y la estabilidad de los sistemas fotovoltaicos. Algunos aspectos importantes son la eficiencia y el control térmico del sistema inversor, su capacidad para funcionar con carga y tensión de entrada variables.
En los sistemas fotovoltaicos solares se utilizan varios tipos de inversores (Zeb et al., 2018) que difieren en sus características de funcionamiento y utilización. Entre ellos se incluyen los inversores centrales, que se utilizan sobre todo en aplicaciones a escala de servicios públicos; los inversores de cadenas, que se utilizan en aplicaciones a escala media; los inversores multi-cadena, que son más modulares y tienen mejor tolerancia a los fallos que los inversores de cadenas; y los microinversores, que se utilizan a escala de un solo módulo para proporcionar la mejor eficiencia de conversión para el módulo y la escalabilidad del sistema. Además, las nuevas tecnologías de generación, como los inversores híbridos y los bidireccionales, están ampliando su utilidad para conectar sistemas de almacenamiento de energía e interactuar con la red.
Con el aumento de la adopción de las energías renovables, en particular de los sistemas fotovoltaicos, los inversores se han convertido en objeto de investigación y desarrollo. Esencialmente, el avance en la tecnología de los inversores ha dado lugar a diferentes configuraciones múltiples del inversor único (Kolantla et al., 2020): Una de ellas son los convertidores convencionales controlados por seis interruptores, que ofrecen una solución fiable y sencilla para la conversión CC-CA. Pueden proponerse nuevas ideas como los inversores de fuente Z, aplicables a sistemas monofásicos y a distintos tipos de sistemas trifásicos, con función buck-boost de una etapa y robustez frente a las perturbaciones de la red. Alternativamente, los inversores multinivel son para aplicaciones de alta potencia que proporcionan una potencia de mejor calidad y bajos niveles de interferencias electromagnéticas debido a los múltiples niveles de tensión. Las innovaciones recientes se han centrado en topologías complejas como el ANPC cargado en el inversor de cinco niveles con puente en H conectado a la red para sistemas FV con altas densidades de potencia y cumplimiento del Código de Red. Los sistemas de accionamiento eléctrico de estas aplicaciones incorporan complejos esquemas de control y modularidad para aumentar la relación potencia-volumen, mejorar la gestión térmica y aumentar la resistencia a los fallos. Innovaciones como la electricidad solar son fundamentales para satisfacer la creciente necesidad de conseguir sistemas de energía renovable más grandes y fiables. Además, las funciones de red inteligente y los sofisticados sistemas de control están permitiendo a los inversores garantizar el control de la tensión de red y seguir los cambiantes requisitos energéticos.
Este artículo es una revisión de algunas de las topologías de inversores adecuadas para la aplicación solar fotovoltaica, el funcionamiento de las topologías seleccionadas, sus méritos, deméritos y las áreas de su idoneidad. Así pues, al presentar esta revisión de los avances actuales en los sistemas de inversores, el artículo pretende beneficiar a los investigadores e ingenieros, así como a los profesionales del campo de la energía solar fotovoltaica, con ideas útiles sobre las mejoras de los sistemas y las soluciones a los problemas contemporáneos de conversión de energía.
Inversor controlado por seis conmutadores (puente rectificador controlado)
La topología de convertidor controlado de seis conmutadores (figura 2) es una de las más típicas utilizadas en los sistemas de conversión de energía eléctrica, donde representa un convertidor heterogéneo esencial en los sistemas de convertidor multifuente - convertidor del lado de la red (MSC-GSC) (Bhaskar et al., 2022; Singh et al., 2023). Esta topología ubicua funciona como rectificador controlado o como inversor de tensión, lo que la convierte en un elemento básico para la conversión eficiente de energía en muchas aplicaciones. De hecho, el hecho de que se emplee ampliamente en sistemas de energías renovables, especialmente en aplicaciones fotovoltaicas, lo convierte en un elemento crucial en los sistemas eléctricos actuales.

Figura 2. Inversor controlado por seis conmutadores.
Existen varias técnicas de control destinadas a regular la tensión del bus de CC a un valor superior a la tensión de pico de línea a línea de la red para obtener el mejor rendimiento. Este requisito proporciona seguridad al convertidor del lado de la red y también garantiza la transferencia de energía y la sincronización fasorial con la red. Además, la topología ofrece diversas técnicas de modulación, entre las que se incluye la modulación por ancho de pulsos vectorial espacial (SVPWM), que optimiza el convertidor y minimiza la distorsión armónica.
Así pues, el convertidor controlado por seis conmutadores es una parte indispensable de los sistemas de energías renovables por su fiabilidad, versatilidad y prestaciones. Sin embargo, el sistema es bastante sencillo y aún tiene muchas opciones de mejora, entre las que destacan la mejora del algoritmo de control, la mejora del sistema térmico y la incorporación a la red inteligente. Estas mejoras refuerzan su posición como primera opción para aplicaciones de conversión de energía fotovoltaica.
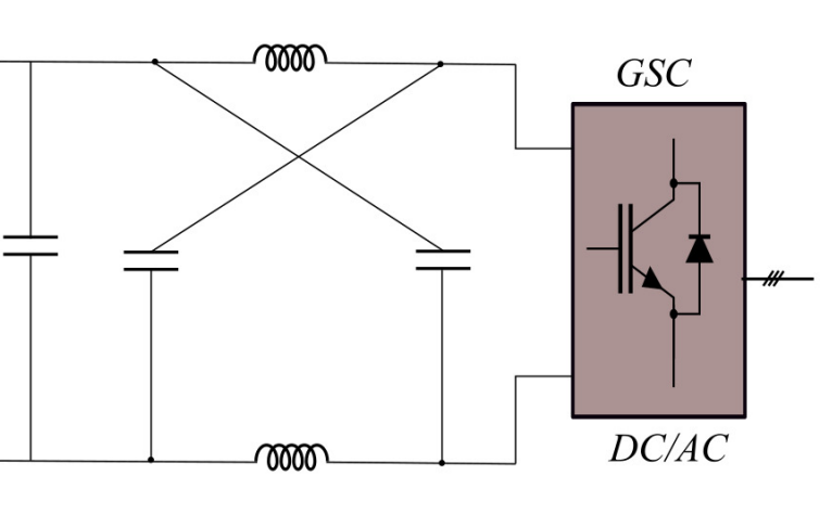
Convertidor de fuente Z
El inversor de fuente Z (figura 3) es una estructura topológica de conversión de potencia única muy adecuada para el intercambio de energía entre niveles de tensión dobles, libre de los inconvenientes de los inversores convencionales (Liu et al., 2016; Kshirsagar et al., 2017). A diferencia de los típicos inversores de puente completo, el inversor de fuente Z emplea una red de impedancia para ampliar la libertad en el proceso de conversión. La estructura del inversor de fuente Z se basa en la red Z, formada por el inductor y dos condensadores conectados en forma de "Z". El inductor está en serie con la tensión de entrada y los condensadores resuenan tanto en serie como en derivación con la resistencia de carga. Para conseguir una conversión energética completa, esta red se conecta con un puente inversor estándar. Esto significa que, utilizando la red de fuente Z, el inversor puede realizar los pasos de elevación de tensión y bucking en una etapa de conversión, renunciando así a otras etapas de conversión como el convertidor CC-CC.

Figura 3. Convertidor de fuente Z.
El principal punto fuerte del inversor de fuente Z es la flexibilidad en el procesamiento de tensiones de entrada variables y, en comparación con los inversores convencionales, el inversor de fuente Z ofrece un mayor nivel de tensión de salida. Esto lo hace ideal para su uso en fuentes de energía renovables, como los sistemas fotovoltaicos y eólicos , en los que la tensión de entrada puede variar en ocasiones. Además, la red de impedancia mejora la inmunidad electromagnética, aumentando así el rendimiento y la fiabilidad de los distintos componentes del sistema. La característica inherente del inversor de fuente Z es su idoneidad para amplias variaciones de la tensión de entrada, lo que lo hace especialmente adecuado para su uso con fuentes de energía renovables en las que la fiabilidad y la versatilidad son factores clave, mejora su compatibilidad con las fuentes de energía renovables, convirtiéndolo en la opción preferida en escenarios en los que la fiabilidad y la adaptabilidad son fundamentales.
Sin embargo, el uso del inversor de fuente Z presenta algunas desventajas, como niveles de orden más altos del sistema inversor, mayor coste de la inversión inicial y menor nivel de control de la utilidad a niveles de potencia elevados. Esto puede crear cierta inestabilidad y falta de fiabilidad en aplicaciones de alta potencia de células solares orgánicas. Además, la topología exige una ingeniería y una gestión adecuadas para evitar algunos inconvenientes, como el estrés por sobretensión.
Para hacer frente a estos retos, se han utilizado estrategias de control mejoradas, que incluyen SVPWM con modificación de ángulo (Manoj et al., 2022) y control predictivo de modelos (MPC) (Liu et al., 2023). Estos métodos buscan mejorar la estabilidad del rendimiento y la densidad de potencia, así como minimizar el estrés de tensión y las pérdidas por conmutación. En investigaciones posteriores también se han considerado topologías de convertidores con diodos de fuente Z, además de la mejora de la red de impedancia en sistemas de energía renovable, especialmente en la integración en red (Das et al., 2022). Debido al concepto de red de impedancia especial y funcionamiento variable, el inversor de fuente Z sigue siendo una solución viable para los requisitos avanzados de conversión de energía, a la vez que capta los requisitos emergentes de los sistemas energéticos sostenibles.
Inversor multinivel
El convertidor multinivel (figura 4) es una electrónica de potencia elaborada que produce múltiples niveles de tensión de salida, lo que mejora la calidad de la energía y permite incorporar filtros de salida compactos. Esta característica ha hecho que los convertidores multinivel sean especialmente idóneos para aplicaciones de alta potencia y soluciones energéticas a gran escala, donde la densidad de potencia, la eficiencia y la capacidad de manejo de energía son primordiales (Paneti & Dhanamjayulu, 2023; Padmanaban et al., 2021).

Figura 4. MMC en cascada.
Otra innovación destacada en este contexto se conoce como convertidor multinivel modular (MMC), que se ha convertido en la opción preferida para aplicaciones de alta potencia y alta tensión necesarias en la industria y en el campo de las energías renovables. El MMC elimina la necesidad de grandes transformadores de frecuencia de línea construyendo esencialmente el MMC a un nivel de tensión más alto utilizando una multiplicidad de submódulos convertidores de medio puente. Esta modularidad también aumenta la fiabilidad del sistema a través de la redundancia, por lo que si algunos de los submódulos son defectuosos en el sistema, el sistema sigue funcionando.
Otra gran ventaja del MMC es que es capaz de funcionar a frecuencias de conmutación medias menores para las etapas de conversión en comparación con los inversores y rectificadores tradicionales, demostrando aún así una buena calidad de la forma de onda de salida. Esta característica reduce las pérdidas de conmutación y la tendencia electromagnética, lo que disminuye el consumo total de energía. La versatilidad también podría derivarse del hecho de que el diseño modular significa escalabilidad y, por lo tanto, el producto puede utilizarse fácilmente inisiones variadas.
El análisis anterior demuestra que las ventajas de los convertidores multinivel no se limitan a la modularidad. Esta arquitectura es inherentemente menos estresante para los componentes electrónicos de potencia, lo que, a su vez, proporciona una vida útil más larga y una mayor fiabilidad. Además, la posibilidad de generar formas de onda con una forma cercana a la sinusoidal y menor distorsión armónica total (THD) reduce los requisitos de filtrado, lo que mejora la eficiencia global del sistema. Los convertidores multinivel también ofrecen flexibilidad en cuanto a sus esquemas de control y mantienen la estabilidad de la aplicación y de sus componentes para la tolerancia a fallos en circunstancias difíciles.
Sin embargo, los propios convertidores multinivel presentan ciertos problemas. Uno de ellos es la profundidad de sus estrategias de control, que implica, por ejemplo, el uso de MPC (García et al., 2024; Norambuena et al., 2024) o una complicada modulación por ancho de pulsos (PWM) (Lashab et al., 2021) para equilibrar la tensión y garantizar la estabilidad general de la red. Además, para mantener la estabilidad de los convertidores multinivel, se requiere un gran número de mediciones en tiempo real, lo que aumenta la complejidad y el coste. Estos retos, junto con el adelgazamiento de la parte superior de la capa líquida debido a la mayor inversión inicial para componentes adicionales o los complicados controles, muestran hacia dónde pueden dirigirse la investigación y el desarrollo futuros.
A pesar de los retos que conlleva la integración de los convertidores multinivel, éstos han demostrado ser una tecnología revolucionaria en la electrónica de potencia. Gracias a su modularidad y a su relación rendimiento/fiabilidad, son esenciales en el sistema eléctrico actual, especialmente en la integración de fuentes de energía renovables (Bana et al., 2020). Mientras prosigan las investigaciones de desarrollo para resolver sus problemas, este tipo de convertidores podrá ocupar una posición aún más importante en la evolución ulterior de las tecnologías innovadoras de ahorro de energía y de utilización de fuentes de energía renovables.
Inversor ANPC de cinco niveles
El inversor de cinco niveles con punto neutro activo (ANPC) es un gran paso adelante en la electrónica de potencia de media-alta tensión (figura 5) (Liu et al., 2022). Con el objetivo principal de mejorar el rendimiento y la eficiencia de los inversores multinivel, la topología ANPC de cinco niveles es ideal para sistemas que requieren una alta calidad de la forma de onda de la tensión de salida y un bajo estrés de tipo dv/dt. La topología propuesta pertenece a la familia de los inversores multinivel, conocidos por su capacidad de generar formas de onda de tensión de salida escalonadas con un contenido armónico de la tensión considerablemente menor y con capacidades de tensión superiores en comparación con los inversores de dos niveles convencionales.

Figura 5. Inversor ANPC.
Convencionalmente, los inversores de cinco niveles con punto neutro fijo (NPC) han sido los preferidos para las aplicaciones industriales de media tensión. Con una distorsión armónica total (THD) más baja y un menor estrés de tensión, se han convertido en una solución ideal en muchas industrias. Sin embargo, estos inversores NPC convencionales presentan algunos problemas inherentes, como la necesidad de un gran número de condensadores de enlace de CC y el problema del equilibrio de tensión del condensador. Estos problemas pueden crear graves problemas durante el diseño de los sistemas y ralentizar el rendimiento en algunas condiciones de funcionamiento.
Sin embargo, los diseños NPC no cumplen estos requisitos, por lo que en este artículo se describe el desarrollo del inversor ANPC como solución mejorada. Esta topología combina aspectos de los diseños NPC y FC y proporciona un precio razonable, compacidad y simplicidad de diseño (Agarwal et al., 2022). El inversor ANPC introduce un número de interruptores similar al de la configuración NPC convencional, sin embargo, ofrece mejoras que ayudan a aliviar los condensadores de enlace de CC y los problemas de regulación de tensión. Así, reduciendo el número de componentes activos y pasivos, el inversor ANPC obtiene una mayor eficacia y fiabilidad sin alterar la complicación del sistema.
Las ampliaciones posteriores de este paradigma incluyen varias configuraciones novedosas de inversores multinivel con condensador conmutado (Baksi & Behera, 2023). Con estas innovaciones se espera minimizar el número de componentes electrónicos de potencia y elementos pasivos necesarios para que el sistema funcione, mejorando así el diseño y la eficiencia del sistema global. Estas mejoras hacen del inversor ANPC una propuesta tentadora para los sistemas fotovoltaicos interconectados a la red en los que la calidad de la potencia y la eficiencia son de gran importancia.
El inversor ANPC de cinco niveles resulta especialmente ventajoso en aplicaciones de energías renovables, como los sistemas fotovoltaicos, en los que la naturaleza de la generación solar presenta un alto grado de variabilidad (Wang et al., 2017). El hecho de que la señal desarrollada tenga una forma de onda de tensión de alta calidad con bajos armónicos lo hace adecuado para los requisitos de la red actual; con un diseño sencillo y compacto se traduce en un bajo coste de instalación y mantenimiento.
Por último, el sistema de inversor ANPC de cinco niveles es una tecnología importante que ofrece eficiencia en la conversión de potencia de media a alta tensión en sistemas industriales y de energías renovables. Mediante la eliminación objetiva de los inversores NPC básicos estructuralmente deficientes y la posterior utilización eficaz de los componentes, esta topología mejora la eficacia, la longevidad y la rentabilidad de los sistemas de inversores multinivel para un sistema fotovoltaico interconectado a la red, entre otras ventajas.
Conclusión
En este artículo se describen detalladamente las distintas topologías de inversores necesarias para el rendimiento óptimo de los sistemas fotovoltaicos que funcionan en el campo de las energías renovables. El papel que desempeñan los inversores en la transferencia de potencia de los módulos fotovoltaicos de CC a CA, que es compatible con los sistemas de red, es muy importante para lograr la eficiencia, fiabilidad y compatibilidad de los sistemas. Todas las topologías que se han presentado: convertidores controlados por seis conmutadores, convertidores de fuente Z, convertidores multinivel y el inversor ANPC de cinco niveles tienen ventajas que se ajustan a determinadas necesidades de aplicación y ofrecen soluciones a diversos problemas de funcionamiento y diseño.
El convertidor de seis conmutadores es una topología muy utilizada debido a estas características y sigue siendo una opción popular en muchas aplicaciones como la integración en red. El inversor de fuente Z tiene una red de impedancia adicional que lo hace adecuado para sistemas de energía renovable a pesar de sus complejidades, principalmente por su capacidad de variar de acuerdo con los cambios en las condiciones de entrada. Los MMC se clasifican dentro de los convertidores multinivel que proporcionan un mejor perfil de forma de onda de tensión además de ser muy fiables para aplicaciones de alta potencia y media tensión. Por último, pero no por ello menos importante, el inversor ANPC de cinco niveles mejora el sistema del inversor multinivel; algunos de los retos son los problemas de equilibrado de condensadores y el número de componentes; no obstante, el inversor ANPC avanzado fomenta la asequibilidad y la eficiencia de la conversión de energía.
El análisis destaca cómo están evolucionando estas topologías de inversores para satisfacer las demandas de los sistemas fotovoltaicos modernos, centrándose en la mejora de la eficiencia energética, la reducción de los armónicos y la optimización del diseño del sistema. Innovaciones como la modularidad, las técnicas de conmutación suave y los diseños híbridos están ampliando los límites del rendimiento y la escalabilidad, garantizando que los sistemas de energía fotovoltaica puedan satisfacer de forma fiable las necesidades energéticas mundiales.
En conclusión, la selección y aplicación de la topología de inversor adecuada dependen de los requisitos específicos del sistema fotovoltaico, como el nivel de potencia, el rango de tensión y la compatibilidad con la red. Los avances en el diseño y las estrategias de control de los inversores están allanando el camino hacia sistemas energéticos más sostenibles y eficientes, contribuyendo de forma significativa a la adopción de fuentes de energía renovables y a la transición hacia un futuro energético más limpio. La investigación y el desarrollo en curso de las tecnologías de inversores subrayan su papel vital en el crecimiento y la optimización de la generación de energía solar fotovoltaica.
Bibliografías
Agarwal, R., Gupta, K. K., & Singh, S. (2022). A novel self-boosting 5-level inverter for grid-connected photovoltaic system. Electric Power Systems Research, 211, 108201.
Baksi, S. K., & Behera, R. K. (2023). A Reduced Switch Count Seven-Level Boost ANPC Based Grid Following Inverter Topology With Photovoltaic Integration. IEEE Transactions on Industry Applications, 59(4), 4238–4251.
Bana, P. R., Panda, K. P., & Panda, G. (2020). Power Quality Performance Evaluation of Multilevel Inverter With Reduced Switching Devices and Minimum Standing Voltage. IEEE Transactions on Industrial Informatics, 16(8), 5009–5022.
Bhaskar, M. S., Padmanaban, S., Almakhles, D. J., Gupta, N., & Subramaniam, U. (2022). Double-switch switched-inductor converter with minimal switch voltage stress for renewable energy conversion. Computers & Electrical Engineering, 98, 107682.
Blaabjerg, F., Yang, Y., Kim, K. A., & Rodriguez, J. (2023). Power Electronics Technology for Large-Scale Renewable Energy Generation. Proceedings of the IEEE, 111(4), 335–355.
Das, C. K., Annamalai, K., & Veeramraju Tirumala, S. (2022). A Quasi-Z-Source-Based Five-Level PV Inverter With Leakage Current Reduction. IEEE Transactions on Industry Applications, 58(1), 400–412.
Garcia, C., et al. (2024). Model Predictive Control in Multilevel Inverters Part I: Basic Strategy and Performance Improvement. IEEE Open Journal of Industry Applications, 5, 428–441.
Kolantla, D., Mikkili, S., Pendem, S. R., & Desai, A. A. (2020). Critical review on various inverter topologies for PV system architectures. IET Renewable Power Generation, 14, 3418–3438.
Kshirsagar, N., Debre, P. D., Kadu, A., & Juneja, R. (2017). Design of three phase Z-source inverter for solar photovoltaic application. 2017 International Conference on Innovations in Information, Embedded and Communication Systems (ICIIECS), 1–6.
Lashab, A., Sera, D., Hahn, F., Camurca, L. J., Liserre, M., & Guerrero, J. M. (2021). A Reduced Power Switches Count Multilevel Converter-Based Photovoltaic System With Integrated Energy Storage. IEEE Transactions on Industrial Electronics, 68(9), 8231–8240.
Liu, C., et al. (2022). Leakage Current Suppression of Transformerless 5L-ANPC Inverter With Lower Ripple Model Predictive Control. IEEE Transactions on Industry Applications, 58(5), 6297–6309.
Liu, Y., Abu-Rub, H., Ge, B., Blaabjerg, F., Ellabban, O. S., & Loh, P. C. (2016). Impedance Source Power Electronic Converters (1st ed.). IEEE Press.
Liu, Y., Liu, X., Li, X., Yuan, H., & Xue, Y. (2023). Model Predictive Control-Based Dual-Mode Operation of an Energy-Stored Quasi-Z-Source Photovoltaic Power System. IEEE Transactions on Industrial Electronics, 70(9), 9169–9180.
Manoj, P., Annamalai, K., Dhara, S., & Somasekhar, V. T. (2022). A Quasi-Z-Source-Based Space-Vector-Modulated Cascaded Four-Level Inverter for Photovoltaic Applications. IEEE Journal of Emerging and Selected Topics in Power Electronics, 10(4), 4749–4762.
Morey, M., Gupta, N., Garg, M. M., & Kumar, A. (2023). A comprehensive review of grid-connected solar photovoltaic system: Architecture, control, and ancillary services. Renewable Energy Focus, 45, 307–330.
Norambuena, M., et al. (2024). Model Predictive Control in Multilevel Inverters Part II: Renewable Energies and Grid Applications. IEEE Open Journal of Industry Applications, 5, 414–427.
Padmanaban, S., Dhanamjayulu, C., & Khan, B. (2021). Artificial Neural Network and Newton Raphson (ANN-NR) Algorithm Based Selective Harmonic Elimination in Cascaded Multilevel Inverter for PV Applications. IEEE Access, 9, 75058–75070.
Paneti, A. V. P., & Dhanamjayulu, C. (2023). An overview on multi-level inverter topologies for grid-tied PV system. International Transactions on Electrical Energy Systems, 9690344.
Pourasl, H. H., Barenji, R. V., & Khojastehnezhad, V. M. (2023). Solar energy status in the world: A comprehensive review. Energy Reports, 10, 3474–3493.
Singh, S., Saini, S., Gupta, S. K., et al. (2023). Solar-PV inverter for the overall stability of power systems with intelligent MPPT control of DC-link capacitor voltage. Protection and Control of Modern Power Systems, 8(15).
Wang, H., Kou, L., Liu, Y.-F., & Sen, P. C. (2017). A New Six-Switch Five-Level Active Neutral Point Clamped Inverter for PV Applications. IEEE Transactions on Power Electronics, 32(9), 6700–6715.
Zeb, K., Uddin, W., Khan, M. A., Ali, Z., Ali, M. U., Christofides, N., & Kim, H. J. (2018). A comprehensive review on inverter topologies and control strategies for grid-connected photovoltaic system. Renewable and Sustainable Energy Reviews, 94, 1120–1141.
Zidane, T. E. K., et al. (2023). Grid-Connected Solar PV Power Plants Optimization: A Review. IEEE Access, 11, 79588–79608.