Revisión de las topologías de convertidores de corriente continua para generación solar fotovoltaica
A review on DC-DC converter topologies for solar PV power generation
Kumar Mahtani
Departamento de Automática, Ingeniería Eléctrica y Electrónica e Informática Industrial, Universidad Politécnica de Madrid, Madrid, España.
ORCID: https://orcid.org/0000-0002-8308-753X
Contacto: kumar.mahtani@upm.es
Artículo recibido: 13/noviembre/2024. Aprobado: 28/diciembre/2024
Nota
Traducción realizada por el autor a partir del siguiente artículo publicado en inglés:
Sharma, A. K., Das, V., & Mahtani, K. (2025). A review on DC-DC converter topologies for solar PV power generation. International Journal of Research Publication and Reviews, 6(1), 107–115.
Resumen
La conversión eficiente de la energía solar en energía eléctrica es un aspecto fundamental de los sistemas fotovoltaicos (FV), y la elección del convertidor de corriente continua (CC) que sirve de etapa intermedia desempeña un papel crucial en la optimización del rendimiento, la eficiencia y la fiabilidad. En este artículo se examinan en profundidad varias topologías de convertidores CC-CC utilizadas en aplicaciones solares fotovoltaicas, como los convertidores buck, boost, buck-boost, Cuk, Zeta, SEPIC y flyback. Cada convertidor se analiza en función de sus principios de funcionamiento, ventajas, limitaciones y adecuación a distintas configuraciones de sistemas fotovoltaicos. El artículo también explora el impacto de estos convertidores en la eficiencia de la conversión de potencia, la regulación de la tensión, la minimización del rizado de corriente y la estabilidad del sistema, abordando los retos que plantean las fluctuantes condiciones ambientales. Mediante la comparación y el contraste de estas topologías de convertidores, esta revisión ofrece información valiosa para investigadores, ingenieros y profesionales de la industria que buscan optimizar los sistemas fotovoltaicos solares para una mayor eficiencia y una mejor integración con la red. Los resultados ponen de relieve la importancia de seleccionar el convertidor CC-CC adecuado para mejorar el rendimiento y la fiabilidad generales de los sistemas de energías renovables, contribuyendo así al avance continuo de la generación de energía sostenible.
Palabras clave: : Conversión de energía; convertidor boost; convertidor buck; convertidor buck-boost; convertidor Cuk; convertidores DC-DC; convertidor flyback; convertidor Zeta; eficiencia energética; energía solar; energías renovables; MPPT; SEPIC; sistemas fotovoltaicos
Abstract
The efficient conversion of solar energy into electrical energy is a fundamental aspect of photovoltaic (PV) systems, and the choice of DC-DC converter serving as intermediate stage plays a crucial role in optimizing performance, efficiency, and reliability. This paper provides an in-depth examination of various DC-DC converter topologies used in solar PV applications, including buck, boost, buck-boost, Cuk, Zeta, SEPIC, and flyback converters. Each converter is analyzed in terms of its operational principles, advantages, limitations, and suitability for different PV system configurations. The paper also explores the impact of these converters on power conversion efficiency, voltage regulation, current ripple minimization, and system stability, addressing the challenges posed by fluctuating environmental conditions. By comparing and contrasting these converter topologies, this review offers valuable insights for researchers, engineers, and industry professionals seeking to optimize solar PV systems for higher efficiency and better integration with the grid. The findings highlight the importance of selecting the appropriate DC-DC converter to enhance the overall performance and reliability of renewable energy systems, contributing to the continued advancement of sustainable power generation exciter open-phase faults, respectively, are detectable with at least a 95% confidence interval.
Key words: Boost converter; buck converter; buck-boost converter; Cuk converter; DC-DC converters; Energy conversion; flyback converter; MPPT; photovoltaic systems; power efficiency; renewable energy; SEPIC; solar power generation; Zeta converter
Introducción
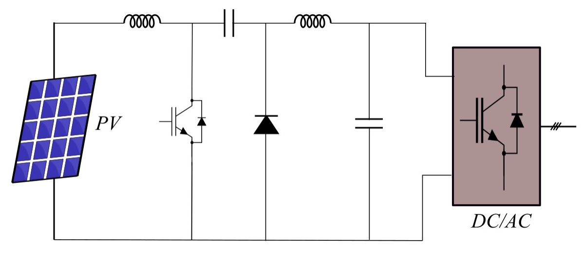
La creciente necesidad de sostenibilidad y la reducción del impacto ambiental han impulsado una importante transición mundial hacia los sistemas de energías renovables. Cada tecnología renovable posee atributos únicos en términos de eficiencia, coste, mantenimiento, vida útil y fiabilidad. Los sistemas solares fotovoltaicos (FV) (Pourasl et al., 2023) han surgido como una tecnología fundamental en este cambio hacia las energías renovables, gracias a su capacidad para convertir directamente la radiación solar en energía eléctrica utilizando materiales semiconductores. Los sistemas fotovoltaicos son escalables, desde pequeñas instalaciones residenciales hasta grandes centrales eléctricas, y cada vez están más integrados en las redes eléctricas modernas (Zidane et al., 2023; Morey et al., 2023). Sin embargo, la intermitencia y variabilidad inherentes a la energía solar dificultan la obtención de una producción eléctrica estable y eficiente. Además, la tensión generada por los paneles fotovoltaicos suele ser insuficiente para las aplicaciones prácticas, por lo que se necesitan soluciones de electrónica de potencia para aumentar, regular o acondicionar la salida para su uso posterior (Blaabjerg et al., 2023).
En la figura 1 se muestra una visión general de los sistemas fotovoltaicos solares. En estos sistemas, los convertidores CC/CC (Gaubert & Chanedeau, 2009) desempeñan un papel fundamental a la hora de abordar estos retos, ya que permiten optimizar la extracción de potencia y garantizan la compatibilidad con componentes posteriores como inversores, baterías o conexiones a la red. Los conocidos convertidores boost, por ejemplo, forman parte integral de los sistemas fotovoltaicos, ya que elevan la baja tensión de salida de los paneles solares a niveles adecuados para el almacenamiento o la integración en la red (Dileep & Singh, 2017). El diseño y el funcionamiento de los convertidores elevadores deben tener en cuenta múltiples factores, como la eficiencia, la ganancia de tensión, el coste y la fiabilidad, además de abordar limitaciones prácticas como la gestión térmica, la compatibilidad electromagnética (CEM) y la durabilidad en condiciones ambientales fluctuantes.

Figura 1. Vista general del sistema solar fotovoltaico.
Los convertidores CC/CC modernos (Raghavendra et al., 2020) incorporan técnicas de control avanzadas como el seguimiento del punto de máxima potencia (MPPT) para garantizar que los paneles fotovoltaicos funcionen en su punto de potencia óptimo independientemente de los cambios en la intensidad de la luz solar o la temperatura. Estos convertidores suelen utilizar métodos de conmutación de alta frecuencia y conmutación suave para mejorar la eficiencia y reducir las pérdidas. Además, las innovaciones en materiales semiconductores de banda ancha, como el carburo de silicio (SiC) y el nitruro de galio (GaN), han mejorado significativamente el rendimiento de los convertidores CC/CC al permitir mayores densidades de potencia, velocidades de conmutación más rápidas y mejor eficiencia térmica.
La rápida evolución de la tecnología fotovoltaica también ha llevado al desarrollo de diversas topologías de convertidores CC/CC, como las configuraciones buck, boost, Cuk, Zeta, SEPIC y flyback. Cada topología ofrece ventajas únicas, como el funcionamiento bidireccional, la regulación mejorada de la tensión o el aislamiento entre la entrada y la salida, lo que las hace adecuadas para aplicaciones fotovoltaicas específicas. Por ejemplo, los convertidores Cuk y Zeta se valoran por su capacidad de proporcionar tensiones de salida invertidas o no invertidas, mientras que los convertidores flyback se utilizan habitualmente en aplicaciones de baja potencia en las que se requiere aislamiento.
Este artículo explora estas topologías de convertidores CC/CC y su papel en los sistemas de generación de energía fotovoltaica. Ofrece una visión general de sus principios de funcionamiento, métricas de rendimiento y escenarios de aplicación. Además, examina cómo los avances en la tecnología de semiconductores, los algoritmos de control y el diseño térmico están ampliando los límites de la eficiencia y la fiabilidad de los sistemas solares fotovoltaicos. Al arrojar luz sobre estos aspectos críticos, este trabajo pretende contribuir a la innovación en curso en la electrónica de potencia, que es esencial para aprovechar todo el potencial de la energía solar para satisfacer las necesidades energéticas mundiales de manera sostenible.
Convertidor Buck
El convertidor buck, representado en la figura 2, es ampliamente conocido por su sencillez, robustez y alta eficiencia, lo que lo convierte en un componente vital en los sistemas fotovoltaicos. Su función principal es reducir la tensión del campo fotovoltaico a un nivel adecuado para cargar las baterías o alimentar las cargas, garantizando una gestión eficiente de la energía. Especialmente en las aplicaciones fotovoltaicas, donde la potencia de salida suele ser variable y depender de factores ambientales como la intensidad de la luz solar, el convertidor buck desempeña un papel crucial en la regulación de la tensión, la corriente y el flujo de potencia para mantener la estabilidad y el rendimiento del sistema.

Figura 2. Convertidor Buck
Uno de los retos que plantea el uso de convertidores Buck es su funcionamiento en modo de conducción continua (CCM) y modo de conducción discontinua (DCM). En estos modos influyen factores como las condiciones de carga y los niveles de irradiancia, que pueden fluctuar dinámicamente. Las transiciones entre estos modos pueden afectar al rendimiento y la eficiencia de las cargas conectadas. Abordar estas complejidades operativas ha dado lugar a una serie de innovaciones en el diseño de los convertidores buck para mejorar su adaptabilidad y eficiencia en condiciones variables (Azer & Emadi, 2020; Kapat, 2019).
Se han introducido configuraciones avanzadas, como los circuitos reconfigurables de condensadores conmutados (Li et al., 2021), para mejorar el rendimiento. Estos circuitos se adaptan a la variación de las tensiones de entrada y salida, reduciendo así la pérdida de energía. Sin embargo, la incorporación de componentes adicionales puede aumentar las pérdidas por conmutación, lo que hace necesario el desarrollo de estrategias de modulación avanzadas. Por ejemplo, se han empleado técnicas híbridas de modulación por ancho de pulsos (PWM) para mitigar estas pérdidas, equilibrando la eficiencia con la complejidad operativa.
Otra innovación significativa es el convertidor Buck multifásico intercalado (Jiang et al., 2024; Ibarra et al., 2022), que divide la corriente de salida entre múltiples fases paralelas. Este diseño reduce la tensión en los interruptores individuales, minimiza las pérdidas por conducción y mejora el rendimiento térmico. El enfoque intercalado es especialmente beneficioso en sistemas fotovoltaicos de alta potencia, ya que facilita un mejor reparto de la corriente y mejora la fiabilidad general.
A pesar de la creciente complejidad de los sistemas fotovoltaicos, estos avances en la tecnología de convertidores buck han demostrado su eficacia a la hora de garantizar un funcionamiento continuo, mejorar la eficiencia de la conversión y optimizar la utilización de la energía. Gracias a la integración de innovadores algoritmos de control y a los avances en la tecnología de semiconductores, los convertidores buck modernos están bien preparados para satisfacer las demandas de las aplicaciones fotovoltaicas en evolución. Estos avances subrayan el papel fundamental del convertidor buck en la gestión eficiente y fiable de los flujos de energía en los sistemas de energía solar.
Convertidor Boost
Los sistemas solares fotovoltaicos se enfrentan a retos inherentes debidos a factores externos como la variabilidad meteorológica y el sombreado, que pueden afectar significativamente a la producción de energía. Estas fluctuaciones suelen traducirse en niveles de tensión incoherentes de los paneles fotovoltaicos. Para hacer frente a estos retos y garantizar una conversión de energía estable y fiable, el convertidor elevador CC-CC, ilustrado en la figura 3, desempeña un papel fundamental (Aghdam & Abapour, 2016). Al elevar la baja tensión producida por los paneles fotovoltaicos -que suele oscilar entre 12 V y 60 V- hasta niveles superiores a 380 V, el convertidor elevador garantiza la compatibilidad con los sistemas posteriores, incluidos los inversores y las aplicaciones conectadas a la red.

Figura 3. Convertidor Boost
El convertidor elevador cumple su función mediante técnicas de conmutación de alta frecuencia, como PWM, que permiten un control preciso de la tensión. Dado que los sistemas fotovoltaicos deben adaptarse a condiciones ambientales dinámicamente cambiantes, la investigación en curso se centra en mejorar la eficiencia y la fiabilidad de los diseños de convertidores boost, garantizando un rendimiento constante y óptimo en diversos escenarios (Huang et al., 2019).
Se ha desarrollado una amplia gama de topologías de convertidores boost para satisfacer los diversos requisitos de los sistemas fotovoltaicos. Los convertidores boost convencionales, aunque son eficaces para conseguir ganancias de tensión elevadas, sufren pérdidas de eficiencia significativas en ciclos de trabajo elevados debido al aumento de las pérdidas de conducción y conmutación. Para hacer frente a estas limitaciones, se han introducido topologías innovadoras que incorporan técnicas de conmutación suave. Por ejemplo, los convertidores de transición de corriente cero (ZCT) eliminan los problemas de recuperación inversa en el diodo, reduciendo las pérdidas de potencia durante la conmutación. Del mismo modo, los convertidores de transición de tensión cero-PWM (ZVT-PWM) combinan inductores acoplados y métodos de control avanzados para mejorar la regulación de la tensión y la eficiencia.
Otros avances incluyen las técnicas de conmutación de tensión cero (ZVS) y de conmutación de corriente cero (ZCS), cuyo objetivo es minimizar la disipación de energía durante los eventos de conmutación (Liang et al., 2019). Estos diseños mejoran la eficiencia del sistema al garantizar transiciones suaves y reducir las interferencias electromagnéticas. Para aplicaciones que requieren altas relaciones de tensión, los convertidores no inductivos y los convertidores con condensadores conmutados ofrecen soluciones viables. Las configuraciones de condensadores conmutados, en particular, destacan en situaciones de carga ligera, manteniendo una alta eficiencia al tiempo que reducen la dependencia de componentes magnéticos voluminosos.
En aplicaciones de alta densidad, las topologías de multiplicador/divisor y los diseños modulares acoplados a condensadores proporcionan un mejor control de la tensión y escalabilidad (Lu et al., 2018). Estas arquitecturas mejoran la densidad de potencia de los sistemas fotovoltaicos y permiten una mejor integración con los marcos modernos de gestión de la energía.
A medida que avanza la tecnología fotovoltaica, los convertidores boost siguen evolucionando, incorporando dispositivos semiconductores de última generación como los materiales de banda prohibida ancha (por ejemplo, carburo de silicio y nitruro de galio) para lograr mayores velocidades de conmutación y eficiencia térmica. Gracias a la integración de estas innovaciones tecnológicas, los modernos convertidores boost son capaces de satisfacer las estrictas exigencias de las aplicaciones solares fotovoltaicas, garantizando un alto rendimiento y fiabilidad a largo plazo en los sistemas de energías renovables.
Convertidor Buck-Boost
El convertidor buck-boost, representado en la figura 4, ofrece una solución versátil para los sistemas fotovoltaicos al abordar las limitaciones de los convertidores boost estándar. Su capacidad para funcionar en toda la curva característica de corriente-tensión (I-V) de los paneles FV garantiza una mejor adaptabilidad a las distintas condiciones ambientales (Banei & Bonab, 2017). Además, en CCM, minimiza eficazmente el rizado de la corriente de entrada, mejorando el rendimiento general del sistema y reduciendo la tensión de los componentes aguas arriba.
En comparación con los diseños de un solo conmutador, las configuraciones buck-boost de dos conmutadores ofrecen una reducción significativa de la tensión de los componentes, lo que contribuye a mejorar la fiabilidad y la eficiencia. Una variante innovadora de esta topología es el convertidor buck-boost no inversor de dos conmutadores, que introduce una capacidad adicional de almacenamiento de corriente y optimiza la transferencia de energía aprovechando los algoritmos MPPT. Este diseño destaca en escenarios con condiciones de carga pesada, garantizando una mayor eficiencia operativa (Wu et al., 2016).

Figura 4. Convertidor Buck-Boost
Sin embargo, la aplicación de estas configuraciones avanzadas no está exenta de dificultades (Saha et al., 2023; Monteiro et al., 2023). Por ejemplo, la introducción de regiones tampón para facilitar el almacenamiento de energía puede provocar un aumento de las corrientes inductoras y mayores pérdidas por conmutación. Estos factores pueden restringir las regiones operativas efectivas y requerir estrategias de control avanzadas para equilibrar la eficiencia y la complejidad.
Para superar estos retos y mejorar aún más el rendimiento, los investigadores han explorado configuraciones avanzadas como topologías en cascada, intercaladas y superpuestas, utilizando métodos de síntesis de circuitos equivalentes CA-CC. Estos diseños demuestran una mayor eficiencia de conversión y una mejor gestión térmica, aunque a menudo requieren una optimización detallada y precisa de los parámetros para maximizar su potencial.
Además de estos avances, la incorporación de transformadores de alta frecuencia y la integración híbrida de tipos de convertidores ha surgido como un enfoque prometedor (Son et al., 2017). Estas innovaciones mejoran la dinámica, la eficiencia y la densidad de potencia, lo que convierte al convertidor buck-boost en un valioso componente de los sistemas fotovoltaicos modernos. Al permitir operaciones tanto de subida como de bajada, el convertidor buck-boost es especialmente eficaz a la hora de mantener tensiones de salida estables en escenarios con una potencia de entrada fluctuante, un reto habitual en las aplicaciones de energía solar.
Los avances actuales en la tecnología de semiconductores de banda ancha, como el SiC y el GaN, mejoran aún más el rendimiento de los convertidores buck-boost. Estos materiales permiten frecuencias de conmutación más altas, menores pérdidas y mayor eficiencia térmica, lo que los hace cada vez más viables para los sistemas fotovoltaicos de nueva generación. Por su adaptabilidad y potencial de innovación, el convertidor buck-boost sigue siendo un componente esencial para optimizar la captación y gestión de energía en aplicaciones de energías renovables.
Convertidor Cuk
El convertidor Cuk, mostrado en la figura 5, es una topología distintiva de convertidor CC-CC conocida por su capacidad de proporcionar corrientes continuas de entrada y salida (Ma et al., 2019). Esta característica minimiza el rizado de corriente, reduce las interferencias electromagnéticas (EMI) y mejora el rendimiento general de los sistemas fotovoltaicos y otras aplicaciones de energías renovables. Su topología única permite la inversión de tensión con un solo interruptor activo, lo que la hace especialmente adecuada para aplicaciones que requieren un flujo de potencia bidireccional.

Figura 5. Convertidor Cuk
Una de las principales ventajas del convertidor Cuk es su capacidad inherente para realizar conversiones de tensión tanto ascendentes (boost) como descendentes (buck) (Chen & Hu, 2023; Ramos-Paja et al., 2021). Esta doble capacidad permite su uso en diversos escenarios, desde la interconexión de paneles fotovoltaicos con baterías en sistemas de almacenamiento de energía hasta la gestión del flujo de potencia en sistemas renovables híbridos. El funcionamiento en corriente continua del convertidor también reduce la tensión sobre los componentes y mejora la compatibilidad con dispositivos sensibles a las fluctuaciones de la corriente de entrada o salida.
A pesar de estas ventajas, el convertidor Cuk presenta ciertos retos, principalmente debido a su mayor complejidad. La topología incorpora componentes pasivos adicionales, como inductores y condensadores, que pueden provocar mayores tensiones de tensión y corriente en los componentes. Estas tensiones exigen una cuidadosa selección de los componentes y un diseño preciso del sistema de control para garantizar la fiabilidad y la eficiencia. Además, para lograr un rendimiento óptimo es necesario abordar posibles problemas como el aumento de las pérdidas y la generación de calor en el funcionamiento a alta potencia.
La investigación reciente se ha centrado en mitigar estos retos mediante técnicas y materiales avanzados. Por ejemplo, la integración de semiconductores de banda ancha como el SiC y el GaN ha mejorado la eficiencia del convertidor y reducido su tamaño físico al permitir frecuencias de conmutación más altas. También se están empleando algoritmos de control avanzados, como el MPPT y el control en modo dinámico, para optimizar su funcionamiento en sistemas fotovoltaicos con condiciones ambientales variables.
La versatilidad del convertidor Cuk, combinada con su capacidad para regular eficazmente la potencia en sistemas de energías renovables, sigue haciendo de él un tema de investigación activa. Al abordar las complejidades de su diseño y las tensiones de sus componentes, el convertidor Cuk encierra un importante potencial para mejorar la eficiencia y fiabilidad de la conversión de energía en los sistemas eléctricos modernos, especialmente los que dependen de fuentes de energía renovables intermitentes como la solar fotovoltaica.
Convertidor Zeta
El convertidor Zeta, representado en la figura 6, es una topología de convertidor CC-CC versátil con importantes aplicaciones en sistemas de energías renovables, en particular en sistemas autónomos de conversión de energía fotovoltaica y eólica. Su principal ventaja radica en su capacidad para proporcionar una corriente de salida ininterrumpida, un rizado de corriente de entrada y salida reducido y una amplia región de funcionamiento para MPPT. Estas características lo convierten en una opción eficaz para estabilizar el flujo de potencia en sistemas caracterizados por fuentes de energía variables e intermitentes (Banei & Bonab, 2020).

Figura 6. Convertidor Zeta
En los sistemas de conversión de energías renovables, el convertidor Zeta suele servir de interfaz controlada. La topología suele incorporar un rectificador no controlado aguas arriba para simplificar el sistema de control general manteniendo la eficiencia. A continuación, el convertidor Zeta regula la entrega de potencia, garantizando un funcionamiento estable y una utilización óptima de la energía. Admite tanto CCM como DCM, siendo CCM el modo operativo preferido por su rendimiento superior a la hora de reducir el rizado y garantizar una entrega de potencia constante.
El diseño del convertidor Zeta se basa en modelos matemáticos precisos para definir parámetros críticos como el dimensionamiento de inductores y condensadores, la frecuencia de conmutación y la dinámica del sistema de control. Estos parámetros son cruciales para mantener la eficiencia y la estabilidad, especialmente cuando el convertidor funciona en condiciones ambientales y de carga variables. Innovaciones como la topología del inversor Zeta modificado (MZI) amplían la funcionalidad del convertidor al permitir la conversión de tensión elevadora en DCM al tiempo que inyecta corriente activa en la red. Esta configuración es especialmente valiosa en sistemas fotovoltaicos conectados a la red, ya que reduce la distorsión armónica total (THD) y mejora la calidad de la energía.
Se han desarrollado estrategias de control avanzadas para optimizar el rendimiento del convertidor Zeta (Umapathi et al., 2023; Kanouni et al., 2023). Las técnicas de control no lineal que utilizan múltiples reguladores permiten un funcionamiento ajustado, mejorando la eficiencia en un amplio rango MPPT. Estas estrategias son esenciales para gestionar las compensaciones entre los modos operativos, minimizar las pérdidas de conmutación y garantizar un rendimiento robusto durante los cambios dinámicos en la potencia de entrada.
La capacidad del convertidor Zeta para proporcionar una salida estable y una conversión de energía eficiente, junto con su adaptabilidad a diversas aplicaciones de energías renovables, subraya su importancia en la electrónica de potencia moderna. Al perfeccionar aún más su diseño e integrar materiales y métodos de control avanzados, el convertidor Zeta sigue desempeñando un papel fundamental en la mejora de la fiabilidad y la eficiencia de los sistemas de energía renovable, incluidos los basados en tecnologías de energía fotovoltaica y eólica.
Convertidor SEPIC
El convertidor SEPIC (Single-Ended Primary-Inductor Converter), ilustrado en la figura 7, es una topología versátil de convertidor CC-CC muy adecuada para sistemas fotovoltaicos y otras aplicaciones de energías renovables. Los convertidores SEPIC son especialmente apreciados por su capacidad para proporcionar una tensión de salida regulada, aumentándola o disminuyéndola según sea necesario, al tiempo que minimizan el rizado de tensión y corriente. Estas características contribuyen a mejorar el rendimiento y la fiabilidad de los sistemas fotovoltaicos, en los que el suministro constante de energía es crucial a pesar de las condiciones ambientales variables.
Uno de los atributos clave del convertidor SEPIC es su capacidad para reducir el rizado de la tensión de entrada. Esto se consigue mediante una cuidadosa optimización de la inductancia y la capacitancia equivalentes, que son parámetros de diseño cruciales (Lee & Do, 2017). La investigación ha demostrado que las características del rizado dependen significativamente de las variaciones de la tensión de entrada y de la resistencia de carga, por lo que la selección precisa de los componentes es esencial para un rendimiento óptimo. Los diseños mejorados (Ardi & Ajami, 2018), como el convertidor SEPIC modificado, introducen diodos y condensadores adicionales para reducir aún más el rizado de la corriente de entrada y funcionan como prerreguladores eficaces, mejorando la eficiencia de la conversión de energía.
En CCM, el convertidor SEPIC funciona en modo de alimentación con inductor completo o en modo de alimentación con inductor incompleto, cada uno de los cuales ofrece características únicas de ondulación y eficiencia (Heydari et al., 2019). Los análisis detallados de las formas de onda de ondulación de la tensión de salida en relación con la inductancia equivalente permiten comprender cómo puede ajustarse la topología para lograr una alta eficiencia en distintas condiciones de funcionamiento.

Figura 7. Convertidor SEPIC
Para hacer frente a problemas como la distorsión de la corriente de entrada y las pérdidas por conmutación, se emplean técnicas avanzadas como el análisis del equilibrio armónico y métodos de conmutación suave (Rezvanyvardom & Mirzaei, 2020). Las estrategias de conmutación suave, incluidas la conmutación de tensión cero (ZVS) y la conmutación de corriente cero (ZCS), minimizan las pérdidas de energía durante el proceso de conmutación y reducen la tensión en los componentes electrónicos de potencia. Estos métodos mejoran la resistencia frente a las tensiones inducidas por la conmutación y prolongan la vida útil del convertidor.
Otras innovaciones incluyen la integración de circuitos cuasirresonantes, que mantienen la conmutación a tensión cero en un amplio rango de entrada-salida. Estos circuitos incorporan componentes resonantes para sincronizar la tensión del inductor con la corriente de salida del conjunto fotovoltaico, garantizando una transferencia de energía eficiente y unas pérdidas de conmutación mínimas. Además, la incorporación de circuitos de control de puerta complementarios para inversores MOSFET mejora la respuesta dinámica y la eficiencia operativa del convertidor.
La adaptabilidad del convertidor SEPIC, unida a estas avanzadas modificaciones de diseño, lo convierten en un componente fundamental de los modernos sistemas fotovoltaicos. Al minimizar el rizado de tensión y corriente, reducir las pérdidas por conmutación y mejorar la calidad de la energía, los convertidores SEPIC permiten una captación eficiente de la energía y un suministro fiable de la misma, incluso en condiciones de entrada fluctuantes. Estos atributos garantizan su continua relevancia en la optimización de las aplicaciones de energías renovables y el avance de los sistemas energéticos sostenibles.
Convertidor Flyback
El convertidor flyback, que se muestra en la figura 8, es una topología de convertidor CC-CC muy utilizada en sistemas de energías renovables, incluidas las aplicaciones fotovoltaicas (Pesce et al., 2021). Su diseño se centra en lograr una alta eficiencia y un rendimiento estable al tiempo que se abordan retos como el rizado de la tensión de entrada y salida. La arquitectura compacta y la versatilidad del convertidor flyback lo hacen especialmente adecuado para aplicaciones de potencia baja a media, en las que se requiere aislamiento entre la entrada y la salida.

Figura 8. Convertidor Flyback
Los parámetros clave de diseño, como el ciclo de trabajo, la frecuencia de conmutación y la relación de vueltas del transformador, desempeñan un papel fundamental a la hora de determinar la tensión de salida del convertidor y minimizar el rizado de tensión (Spiazzi & Buso, 2021). El transformador, un componente central del convertidor flyback, proporciona aislamiento eléctrico y facilita el aumento o la reducción de la tensión, en función de los requisitos del sistema. Optimizando cuidadosamente la relación de vueltas y la inductancia del transformador, el convertidor puede ofrecer una salida estable en toda una gama de condiciones de funcionamiento.
Los convertidores Flyback funcionan en dos modos principales: CCM y DCM. En CCM, el flujo magnético del transformador no vuelve a cero durante un ciclo de conmutación, lo que generalmente se traduce en un menor rizado de tensión y una mayor eficiencia para niveles de potencia más altos. Por el contrario, DCM, en el que el flujo vuelve a cero, es preferible para aplicaciones de menor potencia y se caracteriza por un control más sencillo y una respuesta transitoria más rápida. Las compensaciones entre estos modos, como la eficiencia frente a la pérdida de conmutación y la estabilidad frente a la complejidad del control, se tienen muy en cuenta durante la fase de diseño.
Investigaciones recientes se han centrado en la interacción de parámetros como la inductancia del transformador, la resistencia de la carga y técnicas de control avanzadas para mejorar la eficiencia y estabilidad del sistema (Tantawy et al., 2012). Los mecanismos de control mejorados, incluidos los bucles de realimentación y feedforward, ayudan a mantener la regulación de la tensión de salida en condiciones variables de carga y entrada. También se emplean técnicas como los circuitos de pinza activa para recuperar la energía de la inductancia de fuga, lo que aumenta aún más la eficiencia.
La naturaleza compacta y aislada de los convertidores flyback los hace ideales para su integración en sistemas fotovoltaicos, especialmente en diseños de microinversores en los que las limitaciones de espacio y el aislamiento son fundamentales. Gracias a los continuos avances en el conocimiento de los modos de funcionamiento, la gestión del rizado y la optimización de parámetros, los investigadores están haciendo posible que los convertidores flyback satisfagan las cambiantes demandas de las modernas aplicaciones de electrónica de potencia. Estos esfuerzos garantizan que los convertidores flyback sigan siendo una opción fiable y eficiente para los sistemas de energías renovables, contribuyendo así a una mayor adopción de tecnologías sostenibles.
Conclusiones
La conversión eficiente de la energía solar en electricidad a través de sistemas fotovoltaicos depende en gran medida de la cuidadosa selección y optimización de las topologías de los convertidores CC/CC. Cada tipo de convertidor, ya sea buck, boost, buck-boost, Cuk, Zeta, SEPIC o flyback, ofrece ventajas y retos distintos, por lo que es fundamental elegir la topología más adecuada en función de los requisitos específicos de la aplicación y de las condiciones ambientales. Las características de rendimiento de estos convertidores, como la regulación de la tensión, el rizado de la corriente, la eficiencia y la estabilidad operativa, son esenciales para garantizar una conversión fiable de la energía en los sistemas fotovoltaicos solares.
Los avances en las tecnologías de convertidores, como el uso de técnicas de conmutación suave, estrategias de control innovadoras y componentes de alta frecuencia, siguen mejorando la eficiencia global y la sostenibilidad de los sistemas fotovoltaicos. La integración de estos convertidores en las aplicaciones de energías renovables desempeña un papel fundamental en la mejora de la fiabilidad y escalabilidad de la generación de energía solar, contribuyendo al cambio general hacia las fuentes de energía renovables. Seleccionando la topología de convertidor CC/CC más adecuada, los sistemas fotovoltaicos pueden alcanzar un rendimiento óptimo, garantizando el aprovechamiento eficiente y eficaz de la energía solar.
En el contexto de la transición mundial hacia una energía más limpia y sostenible, la investigación y el desarrollo continuos en tecnologías de convertidores CC/CC son fundamentales. Estos avances no sólo mejoran la viabilidad económica de los sistemas fotovoltaicos, sino que también favorecen la integración de la energía solar con otras fuentes de energía renovables, como la eólica y la hidroeléctrica, para crear sistemas energéticos más resistentes y eficientes. En definitiva, el perfeccionamiento de las tecnologías de convertidores CC/CC es un paso crucial para avanzar hacia un futuro energético más limpio,
Bibliografías
Aghdam, F. H., & Abapour, M. (2016). Reliability and cost analysis of multistage boost converters connected to PV panels. IEEE Journal of Photovoltaics, 6(4), 981–989.
Ardi, H., & Ajami, A. (2018). Study on a high voltage gain SEPIC-based DC–DC converter with continuous input current for sustainable energy applications. IEEE Transactions on Power Electronics, 33(12), 10403–10409.
Azer, P., & Emadi, A. (2020). Generalized state space average model for multi-phase interleaved buck, boost and buck-boost DC-DC converters: Transient, steady-state and switching dynamics. IEEE Access, 8, 77735–77745.
Banaei, M. R., & Bonab, H. A. F. (2017). A novel structure for single-switch nonisolated transformerless buck–boost DC–DC converter. IEEE Transactions on Industrial Electronics, 64(1), 198–205.
Banaei, M. R., & Bonab, H. A. F. (2020). A high efficiency nonisolated buck–boost converter based on ZETA converter. IEEE Transactions on Industrial Electronics, 67(3), 1991–1998.
Blaabjerg, F., Yang, Y., Kim, K. A., & Rodriguez, J. (2023). Power electronics technology for large-scale renewable energy generation. Proceedings of the IEEE, 111(4), 335–355.
Cao, Y., Li, K., & Lu, M. (2021). Balancing method based on flyback converter for series-connected cells. IEEE Access, 9, 52393–52403.
Chen, D., & Hu, X. (2023). A multiobjective feedback linearization control of a Cuk converter. IEEE Journal of Emerging and Selected Topics in Power Electronics, 11(3), 2990–2999.
Dileep, G., & Singh, S. N. (2017). Selection of non-isolated DC-DC converters for solar photovoltaic system. Renewable and Sustainable Energy Reviews, 76, 1230–1247.
Gaubert, J.-P., & Chanedeau, G. (2009). Evaluation of DC-to-DC converters topologies with quadratic conversion ratios for photovoltaic power systems. 2009 13th European Conference on Power Electronics and Applications, Barcelona, Spain, 1–10.
Heydari, M., Khoramikia, H., & Fatemi, A. (2019). High-voltage gain SEPIC-based DC–DC converter without coupled inductor for PV systems. IET Power Electronics, 12(8), 2118–2127.
Huang, Q., Huang, A. Q., Yu, R., Liu, P., & Yu, W. (2019). High-efficiency and high-density single-phase dual-mode cascaded buck–boost multilevel transformerless PV inverter with GaN AC switches. IEEE Transactions on Power Electronics, 34(8), 7474–7488.
Ibarra, E., Arias, A., de Alegría, I. M., Otero, A., & de Mallac, L. (2022). Digital control of multiphase series capacitor buck converter prototype for the powering of HL-LHC inner triplet magnets. IEEE Transactions on Industrial Electronics, 69(10), 10014–10024.
Jiang, T., Zhang, S., Xie, J., Fan, J., Yang, C., & Han, X. (2024). A coupled L-LC filter for interleaved buck converter ripple cancellation. IEEE Transactions on Power Electronics, 39(5), 6028–6039.
Kanouni, B., Badoud, A. E., & Mekhilef, S. (2023). Design of super twisting MPPT controller using DC-DC ZETA converter. In Proceedings of the 20th International Multi-Conference on Systems, Signals & Devices (SSD), Mahdia, Tunisia (pp. 951–956).
Kapat, S. (2019). Sampling-induced border collision bifurcation in a voltage-mode DPWM synchronous buck converter. IEEE Transactions on Circuits and Systems II: Express Briefs, 66(6), 1048–1052.
Liang, T.-J., Cheng, M.-H., Huang, W.-Y., & Tseng, W.-J. (2019). Interleaved half-bridge flyback converter with zero-current switching. IEEE Transactions on Power Electronics, 34(4), 3370–3383.
Li, Y., Dobbins, B. L., & Stauth, J. T. (2021). An optically powered, high-voltage, switched-capacitor drive circuit for microrobotics. IEEE Journal of Solid-State Circuits, 56(3), 866–875.
Lu, C., Shanthi, N., Nivethitha, P., Sindhuja, S., Hilasini, M., & Divyabharathi, K. (2018). High efficient interleaved boost converter for photovoltaic applications. In Proceedings of the International Conference on Computing, Power, Energy, and Information Communication, Chennai, India (pp. 305–309).
Ma, W., et al. (2019). Hopf bifurcation and its control in the one-cycle controlled Cuk converter. IEEE Transactions on Circuits and Systems II: Express Briefs, 66(8), 1411–1415.
Monteiro, J., Fernão Pires, V., Foito, D., Cordeiro, A., Fernando Silva, J., & Pinto, S. (2023). A buck-boost converter with extended duty-cycle range in the buck voltage region for renewable energy sources. Electronics, 12(3), 584.
Morey, M., Gupta, N., Garg, M. M., & Kumar, A. (2023). A comprehensive review of grid-connected solar photovoltaic system: Architecture, control, and ancillary services. Renewable Energy Focus, 45, 307–330.
Pesce, C., Riedemann, J., Peña, R., Degano, M., Pereda, J., Villalobos, R., Maury, C., & Andrade, I. (2021). A modified multi-winding DC–DC flyback converter for photovoltaic applications. Applied Sciences, 11(24), 11999.
Pourasl, H. H., Barenji, R. V., & Khojastehnezhad, V. M. (2023). Solar energy status in the world: A comprehensive review. Energy Reports, 10, 3474–3493.
Raghavendra, K. V. G., Zeb, K., Muthusamy, A., Krishna, T. N. V., Kumar, S. V. S. V. P., Kim, D.-H., Kim, M.-S., Cho, H.-G., & Kim, H.-J. (2020). A comprehensive review of DC–DC converter topologies and modulation strategies with recent advances in solar photovoltaic systems. Electronics, 9(31), 1–31.
Ramos-Paja, C. A., Gonzalez-Motoya, D., Villegas-Seballos, J. P., Serna-Garces, S. I., & Giral, R. (2021). Sliding-mode controller for a photovoltaic system based on a Cuk converter. International Journal of Electrical and Computer Engineering (IJECE), 11(3), 2027–2044.
Rezvanyvardom, M., & Mirzaei, A. (2020). High gain configuration of modified ZVT SEPIC-boost DC-DC converter with coupled inductors for photovoltaic applications. Solar Energy, 208, 357.
Saha, P., Rahman, T., & Yeaser, K. M. A. (2023). Design and comparative analysis of robust non-inverting DC-DC buck-boost converters: Exploring three distinct configurations for optimal performance. In Proceedings of the 5th International Conference on Sustainable Technologies for Industry 5.0 (STI), Dhaka, Bangladesh (pp. 1–6).
Son, H.-S., Kim, J.-K., Lee, J.-B., Moon, S.-S., Park, J.-H., & Lee, S.-H. (2017). A new buck–boost converter with low-voltage stress and reduced conducting components. IEEE Transactions on Industrial Electronics, 64(9), 7030–7038.
Spiazzi, G., & Buso, S. (2021). Extended analysis of the asymmetrical half-bridge flyback converter. IEEE Transactions on Power Electronics, 36(7), 7956–7964.
Umapathi, K., Kathiravan, G., & Usha, P. (2023). Design and development of INC-MPPT switched ZETA converter for solar PV arrays. In Proceedings of the 9th International Conference on Advanced Computing and Communication Systems (ICACCS), Coimbatore, India (pp. 1434–1438).
Wu, H., Mu, T., Ge, H., & Xing, Y. (2016). Full-range soft-switching-isolated buck-boost converters with integrated interleaved boost converter and phase-shifted control. IEEE Transactions on Power Electronics, 31(2), 987–999.
Zidane, T. E. K., et al. (2023). Grid-connected solar PV power plants optimization: A review. IEEE Access, 11, 79588–79608.
Zhang, X., & Xiao, X. (2021). A new approach to fault detection and diagnosis of DC-DC converters for photovoltaic applications. IEEE Transactions on Industrial Electronics, 68(6), 4898–4907.